Products



- Customer Support
- Please contact us with any inquiry
- webmaster@wsavac.com
- TEL. +82 31 426 8536
- FAX. +82 31 426 8539
Oil Mist Traps

- >
- Products
- >
- Oil Mist Traps
-
In low vacuum section between the atmospheric pressure (760 Torr) and 10 Torr, since the amount of air sucked into the vacuum pump is large, the phenomenon that the vacuum oil is discharged with the air as a fine mist from the exhaust port will occur. This is referred to as the oil mist and OMT is the exhaust filter that is used in case you can’t connect the exhaust line to a separate hood and duct, or external.
WOF-150(PC)
Specifications
Inlet/Outlet
|
NW25/NW25
|
Material
|
Poly Carbonate (PC)
|
Weight
|
0.38kg
|
Filter Spare for replacement
|
OMT Filter for WOF-150
|
Applicable Pumps
|
W2V10 ~ W2V40
|
WOF-150(Metal)
Specifications
Inlet/Outlet
|
NW25/NW25
|
Material
|
Aluminum
|
Weight
|
1.1kg
|
Filter Spare for replacement
|
OMT Filter for WOF-150
|
Applicable Pumps
|
W2V10 ~ W2V40
|
WOF-200(Metal)
Specifications
Inlet/Outlet
|
NW25/NW25
|
Material
|
Iron
|
Weight
|
1kg
|
Filter Spare for replacement
|
OMT Filter for WOF-200
|
Applicable Pumps
|
W2V10 ~ W2V40
|
WOF-250(PA)
Specifications
Inlet/Outlet
|
NW40/NW40
|
Material
|
Poly Amide 6/6 (Nylon)
|
Weight
|
1.45kg
|
Filter Spare for replacement
|
OMT Filter for WOF-250
|
Applicable Pumps
|
W2V60 ~ W2V80
|
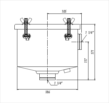
WOF-350(Metal)
Specifications
Inlet/Outlet
|
1 1/4” / 1 1/4"
|
Material
|
Iron
|
Weight
|
2kg
|
Filter Spare for replacement
|
OMT Filter for WOF-350
|
Applicable Pumps
|
W2V60 ~ W2V150
|
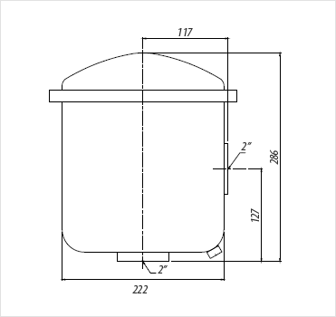
WOF-450(Metal)
Specifications
Inlet/Outlet
|
2” / 2”
|
Material
|
Iron
|
Weight
|
7kg
|
Filter Spare for replacement
|
OMT Filter for WOF-450
|
Applicable Pumps
|
W2V180
|
